PRODUCTS

單相晶閘管調整器JB系列
< >

單相晶閘管調整器JB系列

產品詳情

■ 產品特點

■可利用內部開關切換相位控制方式和分頻控制方式

■可控制阻性負載、感性負載

■標配斜率設定功能、下限設定功能等多種豐富功能

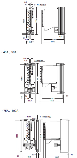
 規格                              外形尺寸

 機型

 
QQ在線咨詢
咨詢熱線
400-994-2200